Weitere Informationen und technische Angaben finden Sie oben im Datenblatt.
Geberit Mapress Edelstahl T-Stück egal
Produkt-Highlights
- Pressindikator
- unverpresst undicht
- Dichtring aus CIIR schwarz
- Pressmuffe mit transparentem Schutzstopfen
- egal
Produktbeschreibung
Der Geberit Mapress Pressfitting aus rostfreiem Edelstahl bietet eine sichere und langlebige Lösung für professionelle Trinkwasser- und Sanitärinstallationen. Die bewährte Pressverbindung ermöglicht eine schnelle Montage ohne Löten oder Schweissen und erhöht die Sicherheit auf der Baustelle. Ein integrierter Pressindikator sorgt dafür, dass unverpresste Verbindungen sofort erkannt werden, da diese bewusst undicht sind. Der schwarze CIIR-Dichtring gewährleistet eine zuverlässige, hygienische Abdichtung und ist für den Einsatz in Trinkwasseranwendungen geeignet. Zusätzlich schützt die Pressmuffe mit transparentem Schutzstopfen den Dichtring zuverlässig vor Verschmutzungen bis zur Installation. Gefertigt aus Edelstahl rostfrei (Werkstoff-Nr. 1.4401) überzeugt das Formteil durch hohe Korrosionsbeständigkeit, lange Lebensdauer und eignet sich optimal für den Einsatz im Neubau sowie bei Sanierungen.
Zusätzliche Informationen
| Anwendungsbereich | Mapress |
|---|---|
| Hersteller | Geberit |
| Zustand | neu |
| Material | Edelstahl rostfrei |
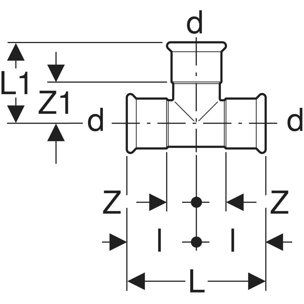
| Durchmesser in mm | 12, 15, 18, 22, 28, 35, 42, 54, 76.1, 88.9, 108 |
| Länge in mm | 31, 38, 47, 53, 55, 68, 80, 100, 159, 185, 230 |
| Einstecktiefe in mm | 14, 18, 22, 26, 34, 42, 50, 65, 106, 125, 155 |
| Garantie | 2 Jahre Herstellergarantie |
Montage
Wir montieren auf Wunsch Ihr Produkt, zuverlässig, schnell und von geschulten Fachkräften. Auf Wunsch übernehmen wir auch die Mitnahme und umweltgerechte Entsorgung Ihres Altgeräts
24h Lieferung
Wir liefern schweizweit innerhalb von 24–48 Stunden, sofern die Ware an Lager ist und die Bestellung werktags bis 15:00 Uhr eingeht.
Alternativ können Sie auch einen individuellen Liefertermin mit uns vereinbaren.
Secure Checkout
Bei uns bestellen Sie mit Schweizer Sicherheit: transparente Preise, sichere Zahlungsmethoden und ein zuverlässiger Kundendienst.
Ihr Vorteil: Eine Schweizer Firma, auf die Sie sich verlassen können.
Montage
Montage können Sie ganz einfach im Checkout oder auf der Produktdetailseite auswählen. Geben Sie ihre Polstleitzahl ein.








Rezensionen
Es gibt noch keine Rezensionen.